Automatic Self-cleaning filter Manual
Table of Contents
Manual Overview
I. Overview
This control cabinet is professionally designed for self-cleaning filter equipment. In an era where automatic filters are widely applied, we help filter suppliers reduce costs, enhance product performance, and simultaneously improve product competitiveness.
Developed under the guidance of industry experts, this control cabinet fully considers the various operating conditions and associated control programs of self-cleaning filter equipment. It serves as the electrical control core for self-cleaning filter devices, featuring multiple protection and alarm functions. It offers various control modes, including automatic timing and manual control, with performance surpassing similar foreign products.
This control cabinet possesses both automatic and manual functions. In automatic mode, it executes operations according to the program set in the PLC. In manual mode, the motor and electric valve can be individually started/stopped, offering simple and clear operation. This control cabinet is an essential and optimal control core for self-cleaning filters.
The control cabinet utilizes imported components, including the latest version of Siemens PLC, a Siemens 7-inch touch screen, Schneider low-voltage electrical appliances, and a stainless steel enclosure.
II. Operation and Application
2.1 Main Interface
The panel displays:
- Motor and Drain Valve status: Green indicates working, Grey indicates stopped.
- Inlet pressure value.
- Differential pressure value.
- Outlet pressure value.
Current Mode: Displays Manual or Auto mode; Auto mode turns green.
Current Status: Displays Filtering, Cleaning, or Stopped status.
Filtering Time: Displays the elapsed filtering time for the current cycle.
Drain Delay Time: Displays the drain delay time for the current cycle (Corresponding state: Motor ON, Drain Valve OFF).
Drain Time: Displays the drain time for the current cycle (Corresponding state: Motor ON, Drain Valve ON).
External Inputs: Can display "Valve Continuously Open" status and "Emergency Stop" status.
Mode Selection: Manual and Auto mode selection buttons.
- In Manual mode: The interface displays four manual buttons: Motor ON, Motor OFF, Valve OPEN, Valve CLOSE.
- In Auto mode: The manual buttons are hidden.
Parameter Settings: Enters the Parameter Settings interface.
Differential Pressure Settings: Enters the Differential Pressure Settings interface.
Differential Pressure Trend: Enters the Differential Pressure Trend interface.
Fault Records: Enters the Fault Records interface.
Reset Drain Valve: Used to reset the drain valve opened due to sustained high differential pressure!
2.2 Parameter Settings Interface

- Filtering Time Setting (Time unit selectable sec/min/hour via toggle button): Factory default 15 min; can be adjusted according to actual conditions.
- Drain Delay Time Setting (Time unit selectable sec/min/hour via toggle button): Factory default 15 sec; can be adjusted according to actual conditions.
- Differential Pressure Alarm Delay Time to Activate Drain Valve Setting (Time unit selectable sec/min/hour via toggle button): Factory default 5 min; not recommended to change.
- Differential Pressure Alarm Switch Setting: Green indicates ON; Factory setting ON; Not recommended to change.
- Drain Time Setting: Factory default 5 sec; can be adjusted according to actual conditions; (Typical setting range for pneumatic drain valves: 3~15 sec).
- Differential Pressure Delay Time Setting: Factory default 2 sec; not recommended to change.
- Overpressure Alarm Delay Time Setting: Factory default 5 sec.
- Differential Pressure Alarm Delay Time to Activate Drain Valve: Factory default 5 min; (When sustained high differential pressure reaches this time, the drain valve will be forcibly opened and an alarm triggered).
- Valve Open/Close Position Reached Time Setting.
- Baud Rate: Sets the 485 communication baud rate.
- Parity: Sets the 485 communication parity.
- Address: Sets the Modbus RTU 485 communication slave address.
2.3 Differential Pressure Settings Interface

- Differential Pressure Range: Used to set the differential pressure transmitter range. Set to 10bar according to the pressure transmitter nameplate (Not allowed to change).
- Cleaning Differential Pressure: Used to set the differential pressure start value. Factory default 0.6bar (Generally recommended within 0.5~0.8bar range).
- Alarm Differential Pressure: Used to set the differential pressure alarm value. Factory default 2.0bar (Generally recommended within 1.5~2.5bar range).
- Current Differential Pressure: Displays the current differential pressure value.
- Inlet Pressure: Displays the current inlet pressure value.
- Outlet Pressure: Displays the current outlet pressure value.
2.4 Differential Pressure Trend Interface
Displays the differential pressure values from the last 8 hours.
2.5 Fault Records Interface
Displays recorded faults.
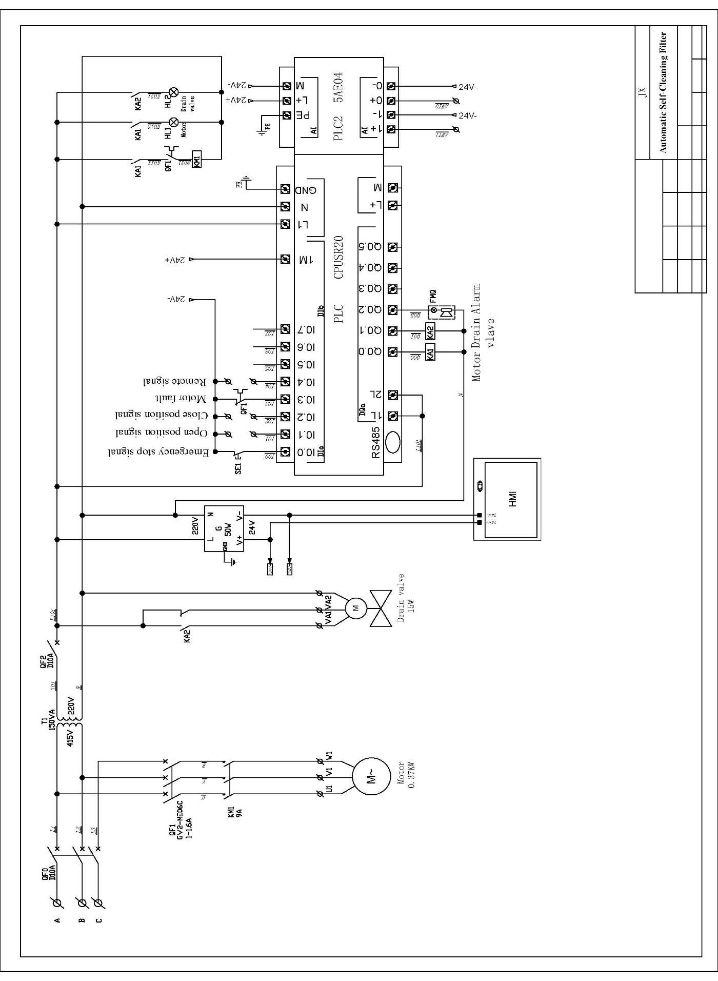
III. Electrical Schematic Diagram
See attached PDF.
IV. Control Cabinet Terminal Diagram
See attached PDF.
V. Modbus Communication Addresses



This section provides comprehensive documentation for all products in the Automatic Self-cleaning filter category. Please select a specific product below to view its detailed manual.
Available Products
SS304-500-Scraper Automatic Self-cleaning filter
Carbon Steel-1600-Automatic Self-cleaning filter
Carbon Steel-1800-Automatic Self-cleaning filter
Carbon Steel-1200-Brush/Scraper -type self-cleaning filter
Carbon Steel-920-Brush/Scraper -type self-cleaning filter
SS316-325-Scraper Automatic Self-cleaning Filter
SS2507-219-Automatic Self-cleaning filter
SS304(316)-500-Automatic Self-cleaning filter
SS304(316)-400-Automatic Self-cleaning filter
SS304-W273-Automatic Self-cleaning filter
SS316-273-Scraper Automatic Self-cleaning filter
SS304-219-Automatic Self-cleaning filter-With Slag Discharge
SS2205-2100-Automatic Self-cleaning filter
SS2205-1800-Automatic Self-cleaning filter
SS304-1200-Brush/Scraper -type self-cleaning filter
SS316-1200-Brush-type self-cleaning filter
SS2205-800-Automatic Self-cleaning filter
SS316-800-Automatic Self-cleaning filter
SS304-800-Automatic Self-cleaning filter
SS2205-650-Automatic Self-cleaning filter
SS316-650-Automatic Self-cleaning filter
SS304-650-Automatic Self-cleaning filter
SS2205-600-Automatic Self-cleaning filter
SS316-600-Automatic Self-cleaning filter
SS304-600-Automatic Self-cleaning filter
SS2205-550-Automatic Self-cleaning filter
SS304-550-Automatic Self-cleaning filter
SS316-550-Automatic Self-cleaning filter
SS2205-500-Automatic Self-cleaning filter
SS316-500-Automatic Self-cleaning filter
SS304-500-Automatic Self-cleaning filter
SS2205-450-Automatic Self-cleaning filter
SS316-450-Automatic Self-cleaning filter
SS304-450-Automatic Self-cleaning filter
SS304-325-Automatic Self-cleaning filter
SS316-325-Automatic Self-cleaning filter
SS2205-325-Automatic Self-cleaning filter
Duplex Type Automatic Self-cleaning Filter
SS2205-400-Automatic Self-cleaning filter
SS316-400-Automatic Self-cleaning filter
SS304-400-Automatic Self-cleaning filter
SS2205-273-Automatic Self-cleaning filter
SS316-273-Automatic Self-cleaning filter
SS304-273-Automatic Self-cleaning filter
SS304-219-Automatic Self-cleaning filter
SS2205-219-Automatic Self-cleaning filter
SS316-219-Automatic Self-cleaning filter
Food Grade SS316-219-Automatic Self-cleaning filter
SS304-325-Food Grade-Spiral Pressure Filter
Duplex Type Automatic Self-cleaning Filter-316L
SS304-325-Fully Automatic Self-cleaning filter
SS304-460-Scraper Automatic Self-cleaning filter
SS304-219-Outer Scraper Automatic Self-cleaning Filter
SS304-325-Scraper Automatic Self-cleaning Filter
Need Help?
If you need additional assistance with any product in this category, please contact our support team.